白皮书下载


简介

扫描二维码下载白皮书
XEV的定义
什么是 XEV?简单来说 EV 是指 Electric Vehicle,是指电动汽车。
随着新能源汽车市场不断扩大,电动汽车的内涵和外延也在不断扩大,从而出现了类似 BEV、HEV、PHEV、REEV……等越来越多的分类。
其中 BEV(Battery Electrical Vehicle)Battery electrical 去掉 al指的是纯电动汽车,纯电动汽车以电池作为车辆的全部动力来源,只依靠动力电池和驱动电机来为车辆提供行驶的动力,主要由底盘、车身、动力电池、驱动电机、电气设备等系统组成。
XEV 的市场现状
近年来,XEV 市场发展很快,得益于各国政府承诺 2050 年将实现碳中和,采用电动汽车是减少二氧化碳排放的关键,主机厂、Tier 1 和功率半导体厂商将伴随电动汽车的增长而演变。
XEV 的技术趋势
未来,多种技术路线的新能源方案将并存,即 HEV(普通混合动力)、 PHEV(插电式混合动力)、 BEV(纯电动)以及 FCV(燃料电池汽车)。各种路线的新能源汽车占比存在不确定性,但是无论哪种新能源汽车技术路线都将使用电驱动系统,电驱动是新能源汽车 XEV 发展中的确定部分。

根据与非研究院针对主机厂和 Tier1 受访者的调研,在选择车用 MLCC 的过程中,76% 的受访者认为可靠性最重要,其次为价格(54%)和品牌(53%)。剩余因素依次为使用寿命(44%)、参数(42%)、供货稳定(36%)、封装(20%)、服务(20%)。
村田相关产品方案
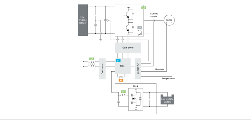
村田在汽车领域计划以高温对应、短路风险对策、长期可靠性、高电压对应等技术和供给能力,同时借助通信市场多年来积累的技术、产品及服务的丰富经验,向汽车“CASE”领域提供更多高可靠性的产品。针对 XEV 的电控系统,村田主要有以下几大应用:逆变器、电池管理系统(BMS)、车载充电器(OBC)、DC-DC 转换器、发动机 ECU……

村田在逆变器领域的产品布局包括:
应用于 MCU 的汽车用 MLCC GCM 系列;
应用于 DC-DC 的功率电感器 LQH/DFE 系列;
应用于 IGBT 的片状铁氧体磁珠 BLM 系列;
应用于 CAN 的片状共模扼流线圈 DLW32SH 系列、片状共模扼流线圈DLW43SH 系列;
应用于 Timing Device 的陶瓷谐振器 CERALOCK CST 系列。
......
更多内容,请下载阅读白皮书。
muRata
延/伸/阅/读
MORECONTENT
01 这款村田汽车用片状铁氧体磁珠:高达1GHz宽频带噪声对策,同时支持大电流! | ![]() |
![]() | 02 轮胎内置式RFID的研发秘闻 |
- E N D-

关于村田

株式会社村田制作所是一家进行基于陶瓷的无源电子元件与解决方案、通信模块和电源模块之设计、制造与销售的全球领先企业。村田致力于开发先进的电子材料以及领先的多功能和高密度模块。公司员工和制造基地遍布世界各地。


求分享

求点赞

求在看
暂无评论哦,快来评论一下吧!





